SDS8204A高分辨率示波器-SDS8000A系列
带宽20 GHz
实时采样率50 GSa/s
通道数4 + EXT
SDS8000A系列高分辨率数字示波器,最大带宽20 GHz,采样率50 GSa/s,具有12-bit/8-bit 垂直分辨率、优秀的本底噪声性能和垂直测量精度,提供4个模拟通道,存储深度可达2.5 Gpts/通道,能满足更高带宽、更高精度的测量需求。
带宽:20GHz, 16 GHz, 13 GHz, 8 GHz
垂直分辨率:12-bit/8-bit
存储深度: 最高 2.5 Gpts/通道
实时采样率: 最高 50 GSa/s每通道
波形捕获率: 最高 50 万帧/秒
SDS8000A(8~16 GHz)是基于硬件ADC实现的12-bit垂直分辨率,相比传统8-bit示波器精度提升16倍以上,能够显著降低量化误差,精确还原信号波形细节。且在ERES模式下,可实现高达16-bit分辨率,显著增强对微小信号的检测能力。
SDS8000A系列采用高性能硬件架构,16 GHz 型号全带宽下四通道均可实现176 μVrms(typ.)的超低本底噪声,匹配12-bit高分辨率性能,大幅降低仪器自身对微小信号的干扰,确保产品在高带宽、高速采样的条件下依然能够还原波形特征,确保工程师在精密测量及前沿科研应用中获得高保真波形。

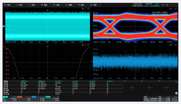
SDS8000A支持眼图与抖动测试,可自动从串行数据中提取时钟以重构眼图并计算抖动参数。仪器能够自动测量多种眼图和抖动指标,同时提供信号均衡功能以改善波形质量,并支持基于标准或用户自定义的眼图模板测试。抖动与噪声成分还可通过直方图和频谱视图等进行深入分析,为工程师在高速接口调试和信号完整性验证中提供可靠依据。

SDS8000A示波器支持多种高速接口和总线协议的一致性测试,包括USB2.0、USB3.x、10BASE-T、100BASE-TX、1000BASE-T、2.5/5/10GBASE-T、10BASE-T1S、100BASE-T1、1000BASE-T1、DDR2/3/4、PCIE1.0/2.0及MIPI DPHY1.2等。仪器结合配套夹具,可完成参数配置与自动测量流程,并生成标准化测试报告。工程师可在一台仪器上完成从调试到一致性验证的全流程工作,从而在设计阶段更高效地发现和解决问题。

SDS8000A搭载15.6英寸高清触摸屏,采用高性能射频输入接口,并配备了服务器级电源模块以确保在高负载和长时间运行条件下稳定供电。整机采用蜂窝式散热结构,可在长时间运行时稳定温度并降低工作噪音。内置Web Server支持网页远程控制,结合SigScopeLab信号分析软件,可实现远程操作与数据管理,满足实验室与生产线的多种应用需求。

模拟带宽 13 GHz, 16 GHz, 20 GHz, 8 GHz | 通道数 4 + EXT |
最高实时采样率 40 GSa/s @所有通道, 50 GSa/s @所有通道 | 垂直分辨率 12-bit, 8-bit |
最大存储深度 2 Gpts/ch, 2.5 Gpts/ch | 最高波形捕获率 500,000 wfm/s |
屏幕尺寸 15.6英寸电容式触摸高清显示屏(分辨率1920x1080) | 触发类型 边沿,斜率,脉宽,窗口,欠幅,间隔,超时,码型,视频,前提边沿,第N边沿,延迟,建立/保持时间,串行触发 |
测量 超过 60 种参数测量,并支持直方图,轨迹图和趋势图统计 | 串行触发和解码 标配:I2C,SPI,UART,CAN,LIN |
数学运算 4路 | 数据分析和处理工具 搜索,导航,历史,模板测试,波形直方图,计数器,眼图和抖动分析(选配),SignalScan |
接口 通信接口:4x USB Host 3.0 Host,USB 3.0 Device(支持USBTMC),2.5G LAN(支持VXI-11+SCPI,Telnet(端口5024)+SCPI,套接字(端口5025)+SCPI编程,LXI,WebServer) | 处理器系统 Intel Core i3-13300HE 或更优,64 GB内存或更高,250 GB硬盘或更优(支持外扩硬盘),Linux操作系统 |
微信扫一扫